Cylinder Block for 2015 Ram 2500
No.
Part # / Description / Price
Price
1
Long Block Engine 1
Mopar
Mopar Notes: Engines: 6.4L HEAVY DUTY V8 HEMI WITH MDS. Transmissions: 6-SPD AUTOMATIC 66RFE TRANSMISSION.
Description: SERVICE WARNING: If The Original Engine Has Experienced A Catastrophic Failure - Including Piston, Cylinder Bore, Valve, or Valve Seat Failure -The Intake Manifold Must Be Replaced With A New Manifold. SERVICE WARNING: If The Orginal Engine Has Experienced A Catastrophic Failure - Including Piston, Cylinder Bore, Valve, or Valve Seat Failure - The Intake Manifold Must Be Replaced With A New Manifold.
1
Short Block Engine 1
Mopar
Mopar Notes: Engines: 6.4L HEAVY DUTY V8 HEMI WITH MDS. Transmissions: 6-SPD AUTOMATIC 66RFE TRANSMISSION.
5
Cylinder Block Plug
Mopar
Mopar Notes: Engines: 5.7L V8 HEMI CNG ENGINE. 5.7L V8 HEMI VVT Engine. 6.4L HEAVY DUTY V8 HEMI WITH MDS.
Description: Oil Galley Block Off. Mega Cab. [.375x18x1.343]. Oil Gallery Block Off. [.375-18x1.343]. [.375x18x 1.343]. Lifter Gallery. [.375x18x1.34].
MSRP $9.75
$7.07
MSRP $9.75
$7.07
6
Dowel Pin, Mounting
Mopar
Mopar Notes: Engines: 5.7L V8 HEMI CNG ENGINE. 5.7L V8 HEMI VVT Engine. 6.4L HEAVY DUTY V8 HEMI WITH MDS.
Description: All Plugs And Dowel Pins Must Be Installed On Cylinder Block Before Installing Engine. Item 13 Also Contained in Short Block Engine Kit. Mega Cab. Cylinder Block To Transaxle. Block To Transmission. Cylinder Block To Head. Engine Block To Clutch Housing.
MSRP $9.45
$6.89
MSRP $9.45
$6.89
7
Hex Socket Plug
Mopar
Mopar Notes: Engines: 5.7L V8 HEMI CNG ENGINE. 5.7L V8 HEMI VVT Engine. 6.4L HEAVY DUTY V8 HEMI WITH MDS.
Description: SEAL.FEAT
MSRP $10.35
$7.56
MSRP $10.35
$7.56
13
Camshaft Plug, Rear
Mopar
Mopar Notes: Engines: 5.7L V8 HEMI CNG ENGINE. 5.7L V8 HEMI VVT Engine. 6.4L HEAVY DUTY V8 HEMI WITH MDS.
Description: [m47.93 od 6.4 thk 51.5 flg od]. Lifter Yoke To Cylinder Block. Mega Cab. Camshaft. [.415x.28].
MSRP $9.70
$7.07
MSRP $9.70
$7.07
15
Dowel Pin
Mopar
Mopar Notes: Engines: 5.7L V8 HEMI CNG ENGINE. 5.7L V8 HEMI VVT Engine. 6.4L HEAVY DUTY V8 HEMI WITH MDS.
Description: Block to Crankshaft Seal. Rear Crankshaft Seal Retainer. Rear Oil Sear Retainer. Rear Oil Seal Retainer. Front Cover To Cylinder Block. Carrier balance shaft. Also Serviced In Item 4 Retainer Package. Rear Retainer To Engine Block. [m8x10.0].
MSRP $12.35
$8.92
MSRP $12.35
$8.92
16
Pipe Plug
Mopar
Mopar Notes: Engines: 5.7L V8 HEMI CNG ENGINE. 5.7L V8 HEMI VVT Engine. 6.4L HEAVY DUTY V8 HEMI WITH MDS.
Description: NONE
MSRP $5.15
$3.69
MSRP $5.15
$3.69
19
Hex Flange Head Bolt, Mounting
Mopar
Mopar Notes: Engines: 5.7L V8 HEMI CNG ENGINE. 5.7L V8 HEMI VVT Engine. 6.4L HEAVY DUTY V8 HEMI WITH MDS.
Description: M6x1.00x28.00. M14x2.00x80.00. M6x1.00x24.00. M6x1.0x24.0. Rear Mail Oil Seal Retainer To Crankshaft. Rear Cranshaft Oil Seal Retainer To Cylinder Block.
MSRP $3.40
$2.40
MSRP $3.40
$2.40
22
Plug, Side
Mopar
Mopar Notes: Engines: 5.7L V8 HEMI CNG ENGINE. 5.7L V8 HEMI VVT Engine. 6.4L HEAVY DUTY V8 HEMI WITH MDS.
Description: After 6/14/04. After 4/26/04. Mega Cab. Coolant Drain [.25x18x.69]. 0.250-18x.690. Cylinder Block Water Jacket Drain. Oil Gallery, Front. Right And Left Cylinder Block Coolant Drain.
MSRP $13.95
$10.21
MSRP $13.95
$10.21
23
Hex Flange Head Bolt, Mounting
Mopar
Mopar Notes: Engines: 5.7L V8 HEMI CNG ENGINE. 5.7L V8 HEMI VVT Engine. 6.4L HEAVY DUTY V8 HEMI WITH MDS.
Description: Main Bearing Cap Side Bolt. Bearing Cap To Engine Block. [M8x1.25x45.00]. Main Bearing Cross.
MSRP $5.75
$4.12
MSRP $5.75
$4.12
26
Dowel Pin, Mounting
Mopar
Mopar Notes: Engines: 5.7L V8 HEMI CNG ENGINE. 5.7L V8 HEMI VVT Engine. 6.4L HEAVY DUTY V8 HEMI WITH MDS.
Description: M8x10.00. Mega Cab. M8x10.0. Front Timing Cover.
MSRP $9.45
$6.89
MSRP $9.45
$6.89
28
Hex Flange Head Bolt, Mounting, Right Front
Mopar
Mopar Notes: Engines: 6.4L HEAVY DUTY V8 HEMI WITH MDS.
MSRP $8.60
$6.33
MSRP $8.60
$6.33
31
Woodruff Key
Mopar
Mopar Notes: Engines: 5.7L V8 HEMI CNG ENGINE. 5.7L V8 HEMI VVT Engine. 6.4L HEAVY DUTY V8 HEMI WITH MDS.
Description: Crankshaft Sprocket. Mega Cab. Crankshsft Sprocket. M4.788x27.5.
MSRP $8.60
$6.21
MSRP $8.60
$6.21
32
Crankshaft
Mopar
Mopar Notes: Engines: 6.4L HEAVY DUTY V8 HEMI WITH MDS.
Description: Not Interchageable With 2012 And Below Crankshaft. New Part Number For 2013. Not Compatable With 2012 And Below Crankshaft. Not Interchanable With 2012 And Below Crankshaft.
MSRP $1,455.00
$1,065.18
MSRP $1,455.00
$1,065.18
38
Hex Flange Head Bolt, Mounting
Mopar
Mopar Notes: Engines: 5.7L V8 HEMI CNG ENGINE. 5.7L V8 HEMI VVT Engine. 6.4L HEAVY DUTY V8 HEMI WITH MDS.
Description: M12x1.75x91.50. M12x1.75x89.10. M12x1.75x91.2. Bearing Cap To Engine Block. For Main Bearing Cap. [M12x1.75x91.5]. Main Bearing Cap To Engine.
MSRP $3.55
$2.52
MSRP $3.55
$2.52
39
Double Ended Stud, Mounting
Mopar
Mopar Notes: Engines: 5.7L V8 HEMI CNG ENGINE. 5.7L V8 HEMI VVT Engine. 6.4L HEAVY DUTY V8 HEMI WITH MDS.
Description: M12x1.75x1.25x152.10. M6x1.00x18.00. M12xm8. M12&M8; Oil Pickup Tube To Main Bearing Cap.
MSRP $11.55
$8.36
MSRP $11.55
$8.36
1 This price excludes a refundable manufacturer's core charge. Add the part to your cart to see the core charge.
No.
Part # / Description / Price
Price
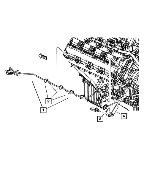
1
Engine Block Heater Cord
Mopar
Mopar Notes: Engines: 6.4L HEAVY DUTY V8 HEMI WITH MDS.
Description: Use For Production Date 09/11/2013 And After.
3
Hex Head Bolt, Mounting
Mopar
Mopar Notes: Engines: 5.7L V8 HEMI CNG ENGINE. 5.7L V8 HEMI VVT Engine. 6.4L HEAVY DUTY V8 HEMI WITH MDS.
Description: M6x1.00x20.00. M6x1x20. Mega Cab. Cylinder Block Heater. Block Heater to Block. Quad Cab. Regular Cab.
MSRP $9.00
$6.58
MSRP $9.00
$6.58
4
MSRP $157.00
$113.10

