Cylinder Block for 2012 Dodge Avenger
No.
Part # / Description / Price
Price
1
Long Block Engine 1
Mopar
Mopar Notes: Engines: 3.6L V6 VVT Engine.
Description: IMPORTANT NOTE***When A Long Block Engine Is Replaced New Or Remanufactured The Fasteners For The Transmission Bracket To Transmission Case MUST Be Replaced For The Orginal Fasteners Are A One Time Use Only. Order Fastener Kit PN 68329056AA. See important note for contents. OE Equivalent Supporting Sustainera.
MSRP $7,410.00
$6,832.65
MSRP $7,410.00
$6,832.65
1
Long Block Engine Kit, Remanufactured 1
Mopar
Mopar Notes: Engines: 3.6L V6 VVT Engine.
Description: All Plugs And Dowel Pins Must Be Installed On Cylinder Block Before Installing Engine.. New Part For Core Return. Item 13 Also Contained in Short Block Engine Kit.
MSRP $6,040.00
$5,571.90
MSRP $6,040.00
$5,571.90
1
Short Block Engine Kit 1
Mopar
Mopar Notes: Engines: 3.6L V6 VVT Engine.
Description: Item 13 Pin Kit Also Contained in Short Block Engine Kit. All Plugs And Dowel Pins Must Be Installed On Cylinder Block Before Installing Engine.. Short Block Engine Includes: Cylinder Block, Crankshaft Bearing Caps, Bearing Cap Bolts, Core Plugs, Dowel Pin ...
2
Dowel, Mounting
Mopar
Mopar Notes: Engines: 3.6L V6 VVT Engine.
Description: Mounting, Transmission To Cylinder Block. Transmission To Engine. Transmisasion To Cylinder Block.
MSRP $3.10
$2.21
MSRP $3.10
$2.21
3
Pipe Plug
Mopar
Mopar Notes: Engines: 3.6L V6 VVT Engine.
Description: M24x1.50. All Plugs And Dowel Pins Must Be Installed On Cylinder Block Before Installing Engine.. Coolant Drain. Main Oil Gallery. Oil Control Valve. Item 13 Also Contained in Short Block Engine Kit. Coolant Passage. Oil Gallery Side Of Cylinder Block.
MSRP $9.25
$6.70
MSRP $9.25
$6.70
4
Dowel Pin, Mounting
Mopar
Mopar Notes: Engines: 3.6L V6 VVT Engine.
Description: All Plugs And Dowel Pins Must Be Installed On Cylinder Block Before Installing Engine. Item 13 Also Contained in Short Block Engine Kit. Mega Cab. Cylinder Block To Transaxle. Block To Transmission. Cylinder Block To Head. Engine Block To Clutch Housing.
MSRP $9.45
$6.89
MSRP $9.45
$6.89
6
Crankshaft Rear Oil Retainer And Seal
Mopar
Mopar Notes: Engines: 3.6L V6 VVT Engine.
Description: CRANKSHAFT OIL SEAL RR
MSRP $149.00
$107.69
MSRP $149.00
$107.69
8
Hex Head Bolt And Coned Washer, Mounting, Lower
Mopar
Mopar Notes: Engines: 3.6L V6 VVT Engine.
MSRP $5.20
$3.75
MSRP $5.20
$3.75
9
Hex Head Bolt, Mounting
Mopar
Mopar Notes: Engines: 3.6L V6 VVT Engine.
Description: Mounting, Main Bearing Crossbar To Cylinder Block. Pump Bracket To Engine. M8x1.25x40.00. Tensioner Bracket To Cylinder Head. Main Bearing Cap Cross Bar To Cylinder Block.
MSRP $3.45
$2.46
MSRP $3.45
$2.46
10
Hex Head Bolt, Mounting
Mopar
Mopar Notes: Engines: 3.6L V6 VVT Engine.
Description: M8x1.25x58.00. Main Bearing Cross To Cylinder Block.
MSRP $3.45
$2.46
MSRP $3.45
$2.46
11
MSRP $3.20
$2.28
12
Pin, Mounting
Mopar
Mopar Notes: Engines: 3.6L V6 VVT Engine.
Description: Timing Chain Tensioner Arm To Cylinder Block. All Plugs And Dowel Pins Must Be Installed On Cylinder Block Before Installing Engine.. Item 13 Also Contained in Short Block Engine Kit. Panel Attaching Pins. Timing Chain Drive. Timing Chain Guide.
MSRP $5.15
$3.69
MSRP $5.15
$3.69
13
Short Block Engine Pin Kit
Mopar
Mopar Notes: Engines: 3.6L V6 VVT Engine.
Description: Item 13 Pin Kit Also Contained in Short Block Engine Kit. All Plugs And Dowel Pins Must Be Installed On Cylinder Block Before Installing Engine.. Included With Short Block Engine. MUST Be Installed On Cylinder Block Before Engine Is Installed.
MSRP $21.60
$15.74
MSRP $21.60
$15.74
14
Pan Head Bolt, Mounting
Mopar
Mopar Notes: Engines: 3.6L V6 VVT Engine.
Description: Front Splash Shield To Oil Pump. M5x.08x16.00. Piston Oil Cooler Jet. Door Handle to Door M5x16.
MSRP $8.75
$6.33
MSRP $8.75
$6.33
15
Piston Oil Cooler Jet
Mopar
Mopar Notes: Engines: 3.6L V6 VVT Engine.
Description: PISTON OIL COOLER
MSRP $15.05
$11.01
MSRP $15.05
$11.01
16
Hex Flange Head Bolt, Mounting, Inboard
Mopar
Mopar Notes: Engines: 3.6L V6 VVT Engine.
Description: Inner Main Bearing Cap To Cylinder Block. Inboard Main Bearing Cap To Cylinder Block. M11x1.50x94.00.
MSRP $6.70
$4.80
MSRP $6.70
$4.80
18
Hex Flange Head Bolt, Mounting, Outboard
Mopar
Mopar Notes: Engines: 3.6L V6 VVT Engine.
Description: M8x1.25x97.00. Main Bearing Cap To Cylinder block.
MSRP $4.90
$3.51
MSRP $4.90
$3.51
19
Core Plug, Cylinder Head Plug
Mopar
Mopar Notes: Engines: 3.6L V6 VVT Engine.
Description: Water Jacket Core. Two [2] Per Cylinder Head. Coolant Front And Rear Of Cylinder Head. Back Of Lower Intake Manifold. Mega Cab. Oil Gallery. [1.25 Diameter]. 1 1/4.
MSRP $7.05
$5.04
MSRP $7.05
$5.04
1 This price excludes a refundable manufacturer's core charge. Add the part to your cart to see the core charge.
No.
Part # / Description / Price
Price
1
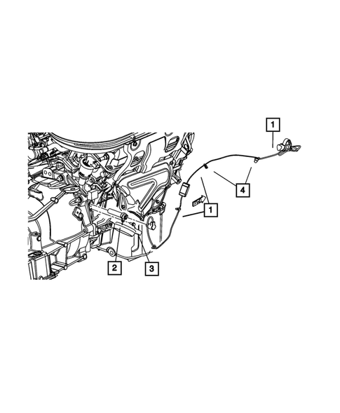
2
Engine Block Heater
Mopar
Mopar Notes: Engines: 3.6L V6 VVT Engine.
Description: 2.7l. 3.5l.
MSRP $107.00
$77.74
MSRP $107.00
$77.74

