Engine Oiling for 2002 Dodge Ram 2500
No.
Part # / Description / Price
Price
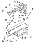
17
Engine Oil Filter
Mopar
Mopar Description: See Note. [3/4-16] With Engine Production Part Number 04892603AA Or 04892480AA.
MSRP $11.15
$8.18
MSRP $11.15
$8.18
18
MSRP $17.00
$12.42
21
Torx Head Screw
Mopar
Mopar Description: .25-20x.75. Oil Pump Cover to Timing Case Cover. Oil Pump To Front Cover.
No.
Part # / Description / Price
Price
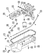
17
Engine Oil Filter
Mopar
Mopar Description: See Note. [3/4-16] With Engine Production Part Number 04892603AA Or 04892480AA.
MSRP $11.15
$8.18
MSRP $11.15
$8.18
18
MSRP $17.00
$12.42
21
Torx Head Screw
Mopar
Mopar Description: .25-20x.75. Oil Pump Cover to Timing Case Cover. Oil Pump To Front Cover.

