Battery Tray and Cables for 2002 Dodge Dakota

Vehicle

2002 Dodge Dakota

Change Vehicle

Categories

Browse Categories
No.
Part # / Description / Price
Price
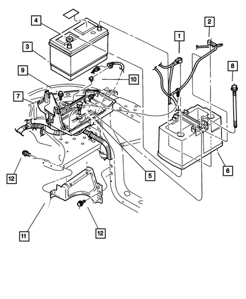
1
Battery Positive Cable
Mopar Mopar
Description: BATTERY POSITIVE
1
Battery Positive Cable
Mopar Mopar
Description: BATTERY POSITIVE
3
Storage Battery 2
Mopar Mopar
Description: 600 cca. See MOPAR Battery Catalog.
MSRP $251.00
$184.50
MSRP $251.00
$184.50
8
Battery Hold Down Stud
Mopar Mopar
Description: Battery Hold Down. Holds Power Steering Reservior Mounting Bracket.
10
Clip, Liquid Line Attaching
Mopar Mopar
Description: For Electrical Connector Repair Information Visit The Electrical Connector Website. Liquid Line to Wheelhouse. Liquid Line To Hydroform. Throttle Body. Shift Cable To Frame. Shift Cable To Starter. Canister Wiring. Liquid line to wheel house.
MSRP $6.45
$4.61
MSRP $6.45
$4.61
11
Battery Tray Bracket
Mopar Mopar
Description: Battery Tray.
12
Screw
Mopar Mopar
Description: M8x1.25x30. Parking Brake Cable Guide. Canister Bracket to Frame Rail. Sill Inner To Reinforcement Side. Fender Inner to Radiator Closure. Canister Bracket to Frame Bracket. Park Brake Cable Guide to Left Frame Rail.
2 This part contains hazardous materials. Extra shipping costs apply.