Transfer Plate Body - Mopar (R2118796AD)

Transfer Plate Body - Mopar (R2118796AD)

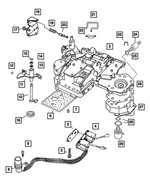
Part can be found as reference #2 in illustration

Transfer Plate Body - Mopar (R2118796AD)

OR

Discontinued Product

No Longer Available For Purchase

Manufacturer Warranty Minimum of 12 Months
Guaranteed Fitment Always the correct parts
Shop with Confidence Your information is safe
In-House Experts We know our products

Details

  • Brand:

    Mopar Parts

  • SKU:

    R2118796AD

  • Other Names:

    Valve Body

  • Description:

    Diesel Engine.

  • Condition: New
  • Replaces:

    52118796AD, RL118796AD

Vehicle Fitment

Vehicle Fitment
Year Make Model Body & Trim Engine & Transmission
( more fitments)
No fitment data available