Radiator Clamp - Mopar (6032277)

Radiator Clamp - Mopar (6032277)

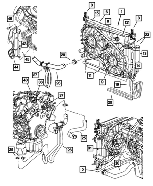
Part can be found as reference #28 in illustration

Radiator Clamp - Mopar (6032277)

Discontinued Product

No Longer Available For Purchase

Manufacturer Warranty Minimum of 12 Months
Guaranteed Fitment Always the correct parts
Shop with Confidence Your information is safe
In-House Experts We know our products

Details

  • Brand:

    Mopar Parts

  • SKU:

    6032277

  • Other Names:

    06032277, Clamp

  • Description:

    Lower. Radiator Hose, Inlet. Outlet Hose. Pump Inlet Attach. 55mm.

  • Condition: New

Vehicle Fitment

Vehicle Fitment
Year Make Model Body & Trim Engine & Transmission
( more fitments)
No fitment data available